产品利用 MEMS 惯性测量单元接收主惯导、卫星导航以及框架角等数据,可 安装于吊舱内部与框架随动,支持吊舱连续旋转状态下的传递对准启动方式。可 在线补偿主惯导与吊舱框架零位的相对安装关系。转入导航模式后,输出自动标 定 MEMS 惯导与框架角相对关系,实现对吊舱框架解耦,按照要求输出框架内 外部基座的姿态信息。
应用方向 ·导航 ·控制 ·测量
参数(典型值) | 单位 | 基型 | A 型 | B 型 |
机载主惯导提供传递对准所需的导航信息 | 航姿精度(RMS) | 航向角 | ° | 0.1 | 0.3 | 0.1 |
俯仰角 / 横滚角 | ° | 0.05 | 0.2 | 0.05 |
位置精度(RMS) | 水平 | m | 1.5 | 1.5 | 1.5 |
高度 | m | 3 | 3 | 3 |
速度精度(RMS) | m/s | 0.1 | 0.2 | 0.08 |
陀螺仪 | 测量范围 | ° /s | ±400 | ±300 | ±300 |
零偏稳定性(10s 平滑,1σ,室温) | ° /h | 1 | 5 | 0.05 |
全温零偏变化(10s 平滑,RMS,变温) | ° /h | 5 | 20 | 2 |
零偏重复性 | ° /h | 5 | 10 | 1 |
随机游走 | ° / √ h | 0.03 | 0.15 | 0.02 |
带宽 | Hz | 400 | 250 | 200 |
标度因数非线性 | ppm | 100 | 100 | 100 |
标度因数重复性 | ppm | 100 | 100 | 100 |
交叉耦合 | % | 0.1 | 0.2 | 0.1 |
加速度计 | 测量范围 | g | ±10 | ±10 | ±10 |
零偏稳定性(10s 平滑,RMS,室温) | mg | 0.05 | 0.05 | 0.05 |
全温零偏变化(10s 平滑,RMS,变温) | mg | 2 | 2 | 2 |
零偏重复性 | mg | 0.2 | 0.2 | 0.2 |
带宽 | Hz | 250 | 250 | 250 |
标度因数重复性 | ppm | 500 | 500 | 500 |
交叉耦合 | % | 0.1 | 0.1 | 0.1 |
数据更新率 | Hz | 200(导航数据输出) 4000(陀螺数据输出) |
电压 | V | 5±0.5 |
功耗 | W | ≤ 2 |
工作温度 | ℃ | -45~80 |
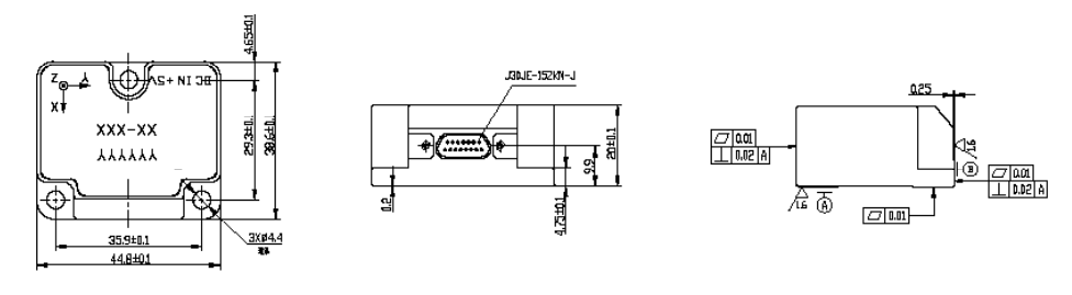
尺寸 | mm | 44.8*38.6*20 |
重量 | g | ≤ 55 |
接口 | —— | 1 路 RS-422( 导航数据输出 ) 1 路 RS-422( 高频陀螺输出 ) 1 路 RS-422( 传递对准输入 ) 1 路 PPS 输入 |
产品外形图
