产品由高精度 MEMS 陀螺芯片、高精度 MEMS 加速度计芯片、温度传感器、 数字信号处理电路、结构及软件等组成,采用抗振、抗冲击结构设计以及柔性连 接技术,内置全温补偿、安装失准角补偿、非线性补偿等补偿算法 , 在高旋、高 过载、高动态的复杂环境下为用户输出经过误差补偿后稳定可靠的测量数据。
应用方向 ·导航 ·控制 ·测量
参数(典型值) | 单位 | 基本型 |
陀 螺 仪 | 测量范围(可定制) | ° /s | X:±4000;Y/Z:±400 |
零位偏置 | ° /h | X:50;Y/Z:30 |
零偏不稳定性(@ALLAN 方差) | ° /h | ≤ 1 |
零偏稳定性(10s 平滑,1σ, 室温) | ° /h | X:30;Y/Z:10 |
零偏重复性 | ° /h | 2 |
全温范围内零偏误差 | ° /h | X: 35;Y/Z: 15 |
随机游走 | ° / √ h | 0.15 |
零偏加速度敏感度 | ° /h/g | 2 |
分辨率 | ° /s | 0.0005 |
输出噪声(半峰值) | ° /s | X:0.35;Y/Z:0.15 |
带宽 | Hz | 150 |
标度因数非线性 | ppm | X:500;Y/Z:300 |
标度因数重复性 | ppm | X:500;Y/Z:300 |
交叉耦合 | % | 0.2 |
参数(典型值) | 单位 | I 型 |
加 速度计 | 测量范围(可定制) | g | ±50 |
零偏不稳定性(@ALLAN 方差) | mg | X/Y:0.025;Z:0.03 |
零偏稳定性(10s 平滑,1σ, 室温) | mg | 1 |
零偏重复性 | mg | 1 |
全温范围内零偏误差 | mg | 6 |
随机游走 | m/s/ √ h | X/Y:0.03;Z:0.06 |
分辨率 | mg | 0.1 |
带宽 | Hz | 150 |
标度因数重复性 | ppm | 300 |
交叉耦合 | % | 0.2 |
参数(典型值) | 单位 | 基本型 |
其他 | 启动稳定时间 | s | 1.5 |
数据更新率 | Hz | 1000 |
电压 | V | 5 |
稳态功耗 | W | < 2 |
纹波 | mV | 100 |
工作温度 | ℃ | -40~80 |
储存温度 | ℃ | -55~105 |
重量 | g | ≤ 120 |
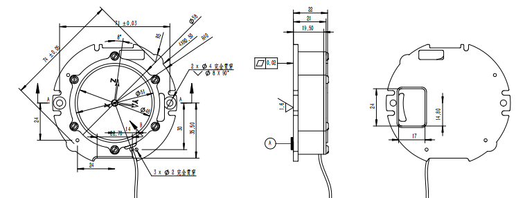
尺寸 | mm | φ80*22 |
接口 |
| TTL |
产品外形图
