产品由国产化 MEMS 陀螺芯片、温度传感器、数字信号处理电路、结构及软 件等组成,采用柔性连接技术 , 软件内置全温补偿、安装失准角补偿、非线性补 偿等补偿算法 , 在静态、动态以及恶劣条件下也能保持良好的性能 , 并通过高速 RS-422 串口为用户输出经过误差补偿后稳定可靠的角速率测量数据。
应用方向 ·导航 ·控制 ·测量
参数(典型值) | 单位 | 基本型 |
测量范围(可定制) | ° /s | ±400 |
零位偏置 | ° /h | 30 |
零偏不稳定性(@ALLAN 方差) | ° /h | 0.3 |
零偏稳定性(10s 平滑,1σ,室温) | ° /h | 3 |
零偏重复性 | ° /h | 3 |
全温范围内零偏误差 | ° /h | 15 |
随机游走 | ° / √ h | 0.15 |
零偏加速度敏感度 | ° /h/g | 2 |
分辨率 | ° /s | 0.0005 |
输出噪声(半峰值) | ° /s | 0.3 |
带宽 | Hz | 250 |
标度因数非线性 | ppm | 100 |
标度因数重复性 | ppm | 100 |
交叉耦合 | % | 0.1 |
启动稳定时间 | s | 1 |
数据更新率 | Hz | 4000 |
电压 | V | 5±0.2 |
启动电流 | mA | 400 |
稳态功耗 | W | ≤ 1 |
纹波 | mV | 200 |
工作温度 | ℃ | -55~85 |
储存温度 | ℃ | -55~105 |
重量 | g | 20 |
尺寸 | mm | 22*20*9 |
接口 | -- | RS-422 |
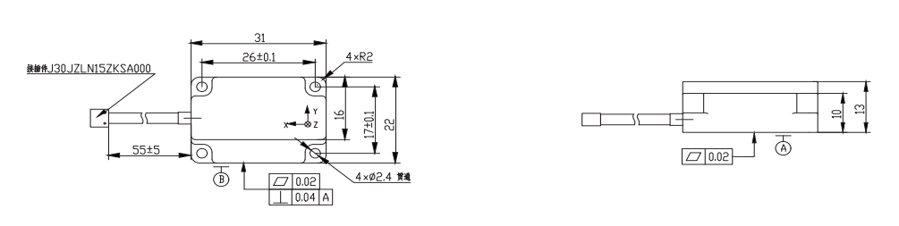
产品外形图
