产品由 MEMS 陀螺芯片、温度传感器、数字信号处理电路、结构及软件等组成, 采用柔性连接技术 , 软件内置全温补偿、安装失准角补偿、非线性补偿等补偿算 法 , 在静态、动态以及恶劣条件下也能保持良好的性能 , 并通过高速 RS-422 串 口为用户输出经过误差补偿后稳定可靠的角速率测量数据。可原位兼容 STIM210 系列产品。
应用方向 ·导航 ·控制 ·测量
参数(典型值) | 单位 | 基本型 | A 型 | B 型 | C 型 |
测量范围(可定制) | ° /s | ±400 | ±400 | ±400 | ±100 |
零位偏置 | ° /h | 15 | 10 | 3 | 3 |
零偏不稳定性(@ALLAN 方差) | ° /h | 0.3 | 0.1 | 0.05 | 0.05 |
零偏稳定性(10s 平滑,1σ,室温) | ° /h | 3 | 1 | 0.4 | 0.2 |
零偏重复性 | ° /h | 3 | 1 | 0.3 | 0.2 |
全温范围内零偏误差 | ° /h | 20 | 10 | 2 | 1.5 |
随机游走 | ° / √ h | 0.15 | 0.05 | 0.02 | 0.01 |
零偏加速度敏感度 | ° /h/g | 2 | 2 | 2 | 1 |
分辨率 | ° /s | 0.0005 | 0.0003 | 0.0001 | 0.0005 |
输出噪声(半峰值) | ° /s | 0.3 | 0.25 | 0.15 | 0.005 |
带宽 | Hz | 250 | 250 | 150 | 12 |
标度因数非线性 | ppm | 100 |
标度因数重复性 | ppm | 100 |
交叉耦合 | % | 0.1 |
启动稳定时间 | s | 1 |
数据更新率 | Hz | 1000 |
电压 | V | 5±0.25 |
启动电流 | mA | < 400 |
稳态功耗 | W | < 1.4 |
纹波 | mV | 100 |
工作温度 | ℃ | -45~85 |
储存温度 | ℃ | -55~105 |
重量 | g | 52±5 |
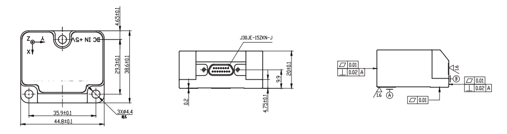
尺寸 | mm | 44.8*38.6*20 |
接口 | -- | RS-422 |
产品外形图
