产品由 MEMS 陀螺芯片、高精度石英挠性加速度计、温度传感器、数字信 号处理电路、结构及软件等组成,采用抗振、抗冲击结构设计以及柔性连接技术, 内置全温补偿、安装失准角补偿、非线性补偿等补偿算法 , 在静态、动态以及恶 劣条件下也能为用户输出经过误差补偿后稳定可靠的测量数据。
应用方向 ·导航 ·控制 ·测量
参数(典型值) | 单位 | 基本型 |
陀 螺 仪 | 测量范围(可定制) | ° /s | ±400 |
零位偏置 | ° /h | 15 |
零偏不稳定性(@ALLAN 方差) | ° /h | 0.3 |
零偏稳定性(10s 平滑,1σ, 室温) | ° /h | 3 |
零偏重复性 | ° /h | 3 |
全温范围内零偏误差 | ° /h | 20 |
随机游走 | ° / √ h | 0.15 |
零偏加速度敏感度 | ° /h/g | 2 |
分辨率 | ° /s | 0.0005 |
输出噪声(半峰值) | ° /s | 0.3 |
带宽 | Hz | 100 |
标度因数非线性 | ppm | 100 |
标度因数重复性 | ppm | 100 |
交叉耦合 | % | 0.1 |
参数(典型值) | 单位 | I 型 |
加 速度计 | 测量范围(可定制) | g | ±30 |
零偏不稳定性(@ALLAN 方差) | mg | 0.01 |
零偏稳定性(10s 平滑,1σ, 室温) | mg | 0.03 |
零偏重复性 | mg | 0.1 |
全温范围内零偏误差 | mg | 1 |
随机游走 | m/s/ √ h | 0.005 |
分辨率 | mg | 0.1 |
带宽 | Hz | 100 |
标度因数重复性 | ppm | 100 |
交叉耦合 | % | 0.1 |
参数(典型值) | 单位 | 基本型 |
其他 | 启动稳定时间 | s | 1 |
数据更新率 | Hz | 200 |
电压 | V | 28 |
稳态功耗 | W | 3 |
纹波 | mV | 100 |
工作温度 | ℃ | -45~70 |
储存温度 | ℃ | -45~85 |
重量 | g | 380 |
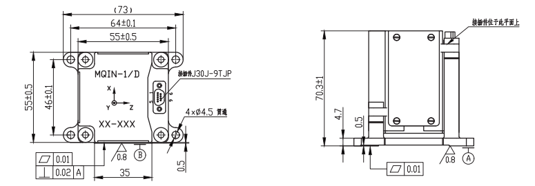
尺寸 | mm | 73x55x70 |
接口 |
| RS-422 |
产品外形图
