产品由 MEMS 陀螺芯片、MEMS 加速度计芯片、温度传感器、数字信号处理 电路、结构及软件等组成,采用小型化、抗振、抗冲击的结构设计技术,内置全 温补偿、安装失准角补偿、非线性补偿等补偿算法 , 在静态、动态以及恶劣条件 下也能为用户输出经过误差补偿后稳定可靠的测量数据。
应用方向 ·导航 ·控制 ·测量
参数(典型值) | 单位 | 基本型 | A 型 | B 型 | C 型 |
陀 螺 仪 | 测量范围(可定制) | ° /s | ±500 | ±1000 | ±2000 | ±4000 |
零位偏置 | ° /h | 180 | 180 | 180 | 180 |
零偏不稳定性(@ALLAN 方差) | ° /h | 5 | 5 | 10 | 15 |
零偏稳定性(10s 平滑,1σ, 室温) | ° /h | 10 | 10 | 10 | 10 |
零偏重复性 | ° /h | 20 | 20 | 30 | 50 |
全温范围内零偏误差 | ° /h | 60 | 60 | 100 | 100 |
随机游走 | ° / √ h | 0.5 | 0.5 | 1 | 1 |
零偏加速度敏感度 | ° /h/g | 20 | 20 | 20 | 20 |
分辨率 | ° /s | 0.01 | 0.01 | 0.01 | 0.01 |
输出噪声(半峰值) | ° /s | 0.4 | 0.4 | 0.45 | 0.45 |
带宽 | Hz | 100 |
标度因数非线性 | ppm | 200 |
标度因数重复性 | ppm | 200 |
交叉耦合 | % | 0.2 |
参数(典型值) | 单位 | I 型 | II 型 | III 型 |
加 速度计 | 测量范围(可定制) | g | ±10 | ±20 | ±40 |
零偏不稳定性(@ALLAN 方差) | mg | 0.01 | 0.015 | 0.02 |
零偏稳定性(10s 平滑,1σ, 室温) | mg | 0.05 | 0.1 | 0.2 |
零偏重复性 | mg | 0.2 | 0.5 | 1 |
全温范围内零偏误差 | mg | 2 | 2 | 2 |
随机游走 | m/s/ √ h | 0.03 | 0.03 | 0.04 |
分辨率 | mg | 0.1 | 0.1 | 0.1 |
带宽 | Hz |
| 100 |
|
标度因数重复性 | ppm |
| 500 |
|
交叉耦合 | % |
| 0.1 |
|
参数(典型值) | 单位 | 基本型 |
其他 | 启动稳定时间 | s | 1 |
数据更新率 | Hz | 1000 |
电压 | V | 5±0.25 |
稳态功耗 | W | ≤ 0.4 |
纹波 | mV | 100 |
工作温度 | ℃ | -45~85 |
储存温度 | ℃ | -55~105 |
重量 | g | 12 |
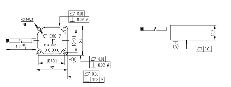
尺寸 | mm | 22*20*10.2 |
接口 | —— | RS-422 |
产品外形图
