在线询价
当前位置:首页 > 产品展示
KT-EX6-40(国产化) 价格:

六自由度惯性测量模组

在线询价
详细内容 规格参数 产品包装

产品由 MEMS 陀螺芯片、MEMS 加速度计芯片、温度传感器、数字信号处理 电路、结构及软件等组成,采用柔性连接技术,内置全温补偿、安装失准角补偿、 非线性补偿等补偿算法 , 在静态、动态以及恶劣条件下也能为用户输出经过误差 补偿后稳定可靠的测量数据,可原位兼容 STIM300 系列产品。

应用方向 ·导航 ·控制 ·测量


参数(典型值)

单位

基本型

A 型

B 型

C 型

F 型

陀 螺 仪

测量范围(可定制)

° /s

±400

±400

±400

±2000

±300

零位偏置

° /h

15

10

3

30

3

零偏不稳定性(@ALLAN 方差)

° /h

0.3

0.1

0.05

1

0.05

零偏稳定性(10s 平滑,1σ,   室温)

° /h

3

2

0.4

6

0.2

零偏重复性

° /h

3

1

0.3

3

0.2

全温范围内零偏误差

° /h

20

10

2

30

1

随机游走

° /  √ h

0.15

0.05

0.02

0.3

0.02

零偏加速度敏感度

° /h/g

2

2

2

2

1

分辨率

° /s

0.0005

0.0003

0.0001

0.001

0.0005

输出噪声(半峰值)

° /s

0.3

0.25

0.15

0.45

0.03

带宽

Hz

250

150

250

100

标度因数非线性

ppm

100

标度因数重复性

ppm

100

交叉耦合

%

0.1

参数(典型值)

单位

I 型

II 型

III 型

加 速度计

测量范围(可定制)

g

±10

±40

±80

零偏不稳定性(@ALLAN 方差)

mg

0.006

0.02

0.08

零偏稳定性(10s 平滑,1σ,   室温)

mg

0.05

0.2

1

零偏重复性

mg

0.2

1

0.5

全温范围内零偏误差

mg

2

2

5

随机游走

m/s/ √ h

0.01

0.04

0.06

分辨率

mg


0.1


带宽

Hz


100


标度因数重复性

ppm


500


交叉耦合

%


0.1


参数(典型值)

单位

基本型

倾角 仪

测量范围(可定制)

g

±1.7

零偏稳定性(10s 平滑,1σ,   室温)

mg

0.5

标度因数非线性

ppm

500

其他

启动稳定时间

s

1

数据更新率

Hz

1000

电压

V

5±0.5

稳态功耗

W

1.5

纹波

mV

100

工作温度

-45~85

-55~85

储存温度

-55~105

-55~105

重量

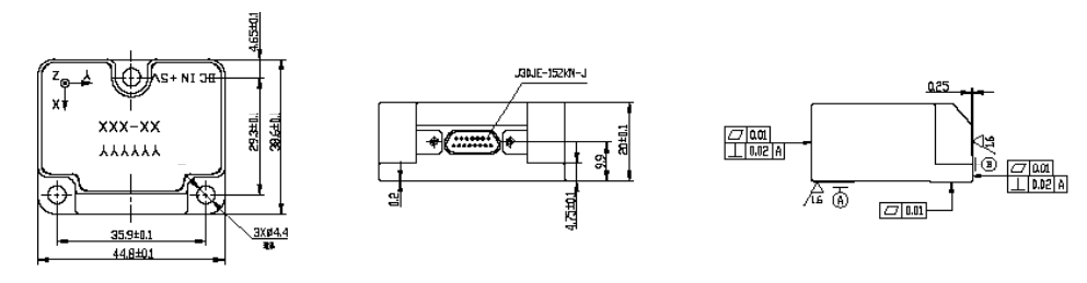
g

52±5

尺寸

mm

44.8*38.6*20

接口

——

RS-422


产品外形图

image.png

请您留言
联系电话:
服务热线18401240158
湖南牵星科技有限公司  
  • 联系地址:湖南省岳麓区尖山路39号长沙中电软件园19栋  
  • 联系邮箱:qxnav@qxnav.net  
Navigation快捷导航
关于我们About us
产品中心Products
应用领域
测量测绘业务
Copyright © 2023-2026 湖南牵星科技有限公司   All Rights Reserved.   备案号:湘ICP备2025141678号-1 腾云建站仅向商家提供技术服务