产品由高精度 MEMS 寻北陀螺、MEMS 双轴加速度计、高精度电机伺服系统 以及外围电路组成,在静态条件下输出产品外壳标识方向的北向值。寻北仪通过 陀螺敏感地球自转实现自主寻北,不受周围磁场以及其他外部环境干扰。
应用方向 ·寻北
参数(典型值) | 单位 | 基本型 |
寻北精度 | ° | 0.2° ×sec(L)(1σ, L 为当地纬度, 倾角 ±5°内无需装订纬度,大倾角时需装订纬度) |
寻北时间 | ° | < 180(上电初始化:15s,单次寻北时间:160s) |
安装面倾斜角度(俯仰和横滚) | ° | ±20 |
姿态精度(俯仰和横滚) | ° | 0.05 |
电压 | V | 9~24 |
稳态功耗 | W | ≤ 2 |
工作温度 | ℃ | -20~80 |
储存温度 | ℃ | -20~80 |
重量 | g | 290 |
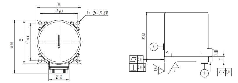
尺寸 | mm | 55*66.8*62.5 |
接口 | —— | RS-422 |
产品外形图
